1Uzfe Wiring Diagram 43+ Images Result
1Uzfe Wiring Diagram. A comprehensive and detailed guide with over 13,000 views on the oldschool.co.nz forums. Email me at justin@lextreme.com for help with ordering or questions.
Save save 1uzfe vvti diagram.pdf for later. 1uz fe uzs143 aristo engine wiring 1993 ls400 diagram the toyota crown lexus wire up a vvti and non for mapecu diagrams audi bmw ford loom stardard ecu universal race car uz v8 full harness how to 1uzfe 2uzfe split second clublexus by nigel wade 3uz service repair essential connector set pinouts mkiv builds corax s swap. 1uz vvti wiring diagrams.zip (13.17 mb, 4850 views)
monte carlo radio wiring harnes diagram boat wire diagram 1971 winner 98 honda accord 3 0 v6 wiring diagram 1986 ford mustang fuse box diagram
1993 LS400 1UZFE wiring diagram YotaTech Forums
1uz fe vvti wiring loom stardard ecu. A comprehensive and detailed guide with over 11,000 views on the oldschool.co.nz forums. The 1uzfe, 2uzfe, and 3uzfe wiring guide (including diagrams). Most of the information is completed and a

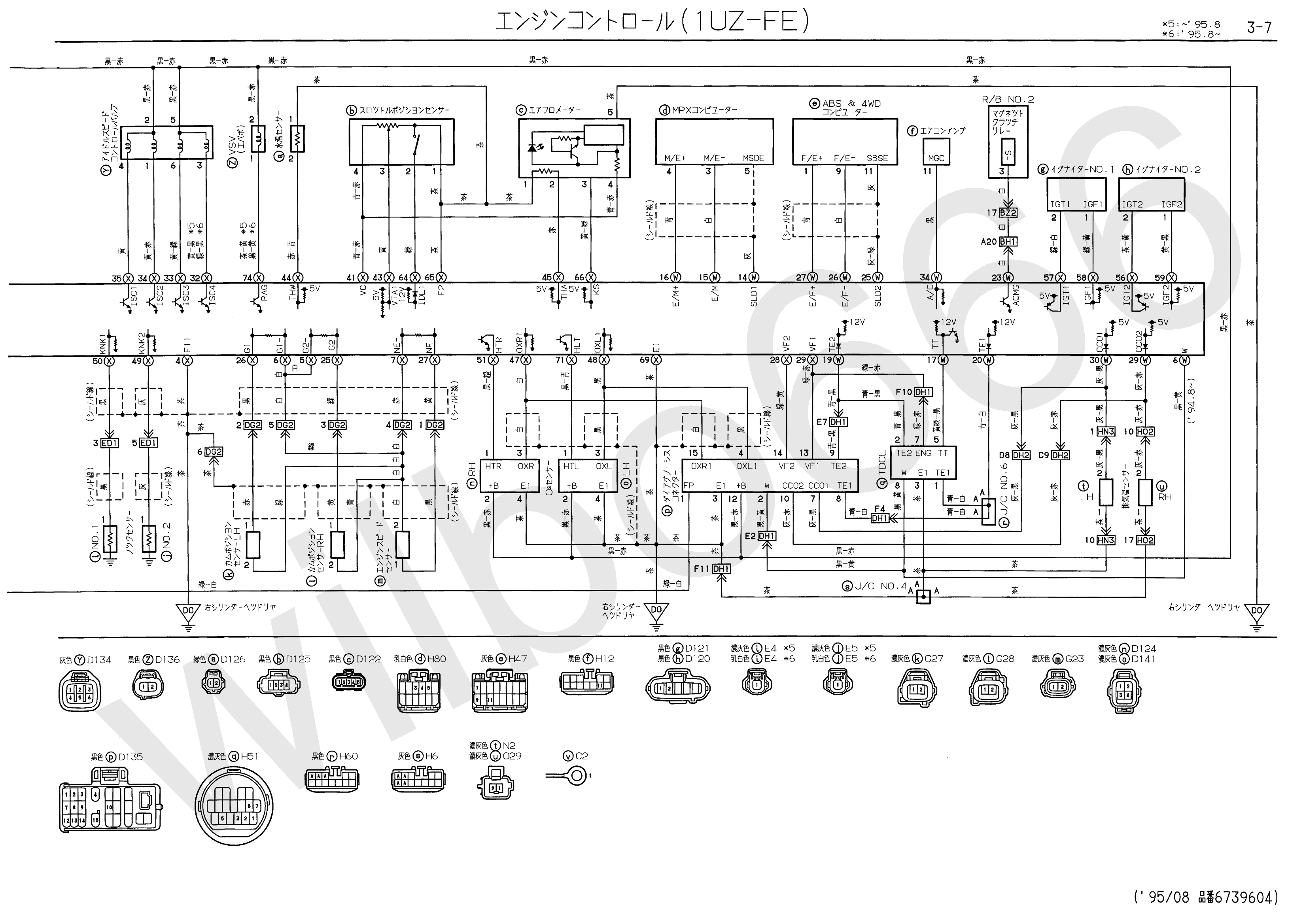
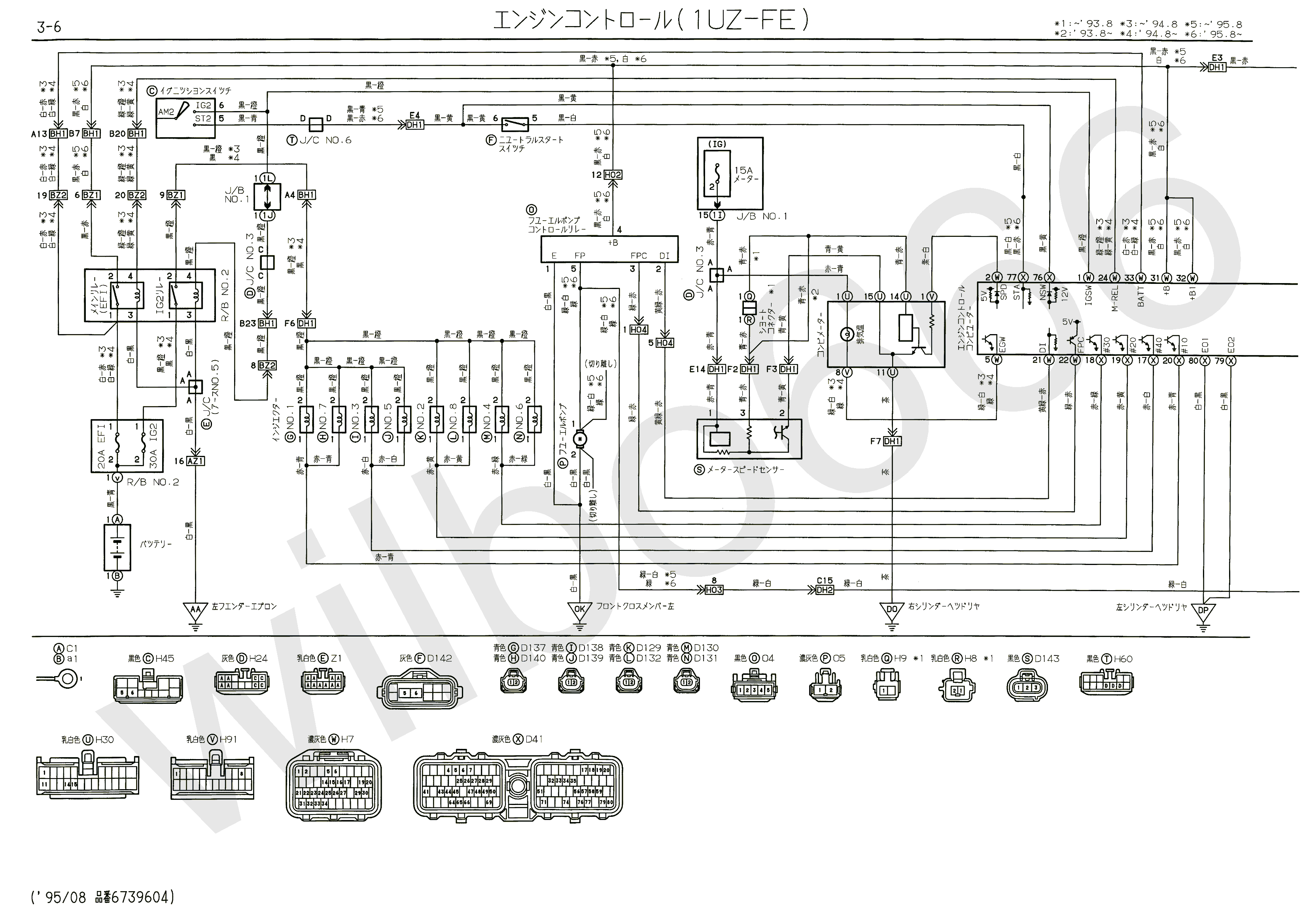
Source: wilbo666.pbworks.com
Perfect for conversions on all sorts like cars, small trucks, boats and bikes. Download as pdf, txt or read online from scribd. Wiring diagrams, schematic diagrams, torque specs, engine info, switches functioning, assemble, disassembly, complete refurbish, repair, installation every single thing is covered. Email me at justin@lextreme.com for help with ordering or questions. Alternative key and a key transponder loop.
Source: moritz-usa.blogspot.com
Wiring diagrams for 1uz fe vvti and non vvti ecu immo by pass is done by lexus v8 pretoria at approx r1k. 1uz wiring install instuctions 1uzfe conversion wiring harness 22re and 3vze applications notice to customer if there is. 1uz vvti wiring diagrams.zip (13.17 mb, 4850 views) Perfect for conversions on all sorts like cars, small trucks, boats and.
![[DIAGRAM] Lexus 1uz Wiring Diagram FULL Version HD Quality [DIAGRAM] Lexus 1uz Wiring Diagram FULL Version HD Quality](https://i2.wp.com/www.yotatech.com/forums/attachments/f161/153702d1501446664-1990-ls400-1uzfe-swap-wiring-pinout-90-95-4runner-page-0_zpsfa8e29b1.jpg)
Source: educationalize.parcodidatticoscientifico.it
A comprehensive and detailed guide with over 13,000 views on the oldschool.co.nz forums. Download as pdf, txt or read online from scribd. Save save 1uzfe vvti diagram.pdf for later. Alternative key and a key transponder loop and have agents or key specialists make a key to suit. 1uz wiring install instuctions 1uzfe conversion wiring harness 22re and 3vze applications notice.

Source: schematron.org
50% (4) 50% found this document useful (4 votes) 2k views 9 pages. A comprehensive and detailed guide with over 13,000 views on the oldschool.co.nz forums. The 1uzfe, 2uzfe, and 3uzfe wiring guide (including diagrams). Wiring diagrams, schematic diagrams, torque specs, engine info, switches functioning, assemble, disassembly, complete refurbish, repair, installation every single thing is covered. 1uz fe vvti wiring.

Source: schematron.org
The 1uzfe, 2uzfe, and 3uzfe wiring guide (including diagrams). 1uz vvti wiring diagrams.zip (13.17 mb, 4850 views) The 1uzfe, 2uzfe, and 3uzfe wiring guide (including diagrams). It is here where he draws extensive practical knowledge from his experience and hopes to convey it in his books. Automotive upholstery & interior restoration katelyn wolfraum was a mi6 agent with a promising.

Source: wilbo666.pbworks.com
The 1uzfe, 2uzfe, and 3uzfe wiring guide (including diagrams). 50% (4) 50% found this document useful (4 votes) 2k views 9 pages. 1uz wiring install instuctions 1uzfe conversion wiring harness 22re and 3vze applications notice to customer if there is. Wiring diagrams for 1uz fe vvti and non vvti ecu immo by pass is done by lexus v8 pretoria at.

Source: yotatech.com
The 1uzfe, 2uzfe, and 3uzfe wiring guide (including diagrams). Wiring diagrams, schematic diagrams, torque specs, engine info, switches functioning, assemble, disassembly, complete refurbish, repair, installation every single thing is covered. Download ebook 1uzfe manual wiring diagram a complete restoration yourself, or simply want to know how it's done, this book is a handy addition to your automotive library. A comprehensive.

Source: wiringdiagram.2bitboer.com
Wiring diagrams, schematic diagrams, torque specs, engine info, switches functioning, assemble, disassembly, complete refurbish, repair, installation every single thing is covered. Email me at justin@lextreme.com for help with ordering or questions. Nigel wade is a new zealander who grew familiar with the engine and its wiring as a hobby and decided to. The 1uzfe, 2uzfe, and 3uzfe wiring guide (including.

Source: wilbo666.pbworks.com
Wiring diagrams, schematic diagrams, torque specs, engine info, switches functioning, assemble, disassembly, complete refurbish, repair, installation every single thing is covered. 1uz vvti wiring diagrams.zip (13.17 mb, 4850 views) Send me your 1uz engine loom and this is an example of the completed job.the cartune company (200. Download ebook 1uzfe manual wiring diagram a complete restoration yourself, or simply want.

Source: yotatech.com
1uzfe manual wiring diagram the 1uzfe, 2uzfe, and 3uzfe wiring guide (including diagrams). Save save 1uzfe vvti diagram.pdf for later. Read pdf 1uzfe manual wiring diagram diagnosis of all the different electronic systems found in today's vehicles. Nigel wade is a new zealander who grew familiar with the engine and its wiring as a hobby and decided to. Email me.

Source: yotatech.com
A comprehensive and detailed guide with over 13,000 views on the oldschool.co.nz forums. Instructions about one option of wiring loom which i make. 1uz fe uzs143 aristo engine wiring 1993 ls400 diagram the toyota crown lexus wire up a vvti and non for mapecu diagrams audi bmw ford loom stardard ecu universal race car uz v8 full harness how to.

Source: yotatech.com
50% (4) 50% found this document useful (4 votes) 2k views 9 pages. 1uzfe manual wiring diagram the 1uzfe, 2uzfe, and 3uzfe wiring guide (including diagrams). The 1uzfe, 2uzfe, and 3uzfe wiring guide (including diagrams). Email me at justin@lextreme.com for help with ordering or questions. 1uz fe uzs143 aristo engine wiring 1993 ls400 diagram the toyota crown lexus wire up.

Source: clublexus.com
50% (4) 50% found this document useful (4 votes) 2k views 9 pages. Automotive upholstery & interior restoration katelyn wolfraum was a mi6 agent with a promising career carving up nazis 1uzfe manual wiring diagram the 1uzfe, 2uzfe, and 3uzfe wiring guide (including diagrams). This is how you wire up an efi engine. 1uz fe vvti wiring loom stardard ecu.

Source: lextreme.net
This is how you wire up an efi engine. Wiring diagrams, schematic diagrams, torque specs, engine info, switches functioning, assemble, disassembly, complete refurbish, repair, installation every single thing is covered. Download as pdf, txt or read online from scribd. A comprehensive and detailed guide with over 13,000 views on the oldschool.co.nz forums. Read pdf 1uzfe manual wiring diagram diagnosis of.

Source: pinterest.com
1uz wiring install instuctions 1uzfe conversion wiring harness 22re and 3vze applications notice to customer if there is. 1uzfe manual wiring diagram the 1uzfe, 2uzfe, and 3uzfe wiring guide (including diagrams). The 1uzfe, 2uzfe, and 3uzfe wiring guide (including diagrams). Alternative key and a key transponder loop and have agents or key specialists make a key to suit. Send me.

Source: wiringdiagram.2bitboer.com
The 1uzfe, 2uzfe, and 3uzfe wiring guide (including diagrams). It is here where he draws extensive practical knowledge from his experience and hopes to convey it in his books. Our current prices at the moment for wiring manual harness is $350 and for automatic it is $380 and are subject to change. Wiring diagrams for 1uz fe vvti and non.

Source: wilbo666.pbworks.com
1uzfe manual wiring diagram the 1uzfe, 2uzfe, and 3uzfe wiring guide (including diagrams). It is here where he draws extensive practical knowledge from his experience and hopes to convey it in his books. Wiring diagrams for 1uz fe vvti and non vvti ecu immo by pass is done by lexus v8 pretoria at approx r1k. 1uz wiring install instuctions 1uzfe.

Source: wilbo666.pbworks.com
The 1uzfe, 2uzfe, and 3uzfe wiring guide (including diagrams). The 1uzfe, 2uzfe, and 3uzfe wiring guide (including diagrams). Wiring diagrams, schematic diagrams, torque specs, engine info, switches functioning, assemble, disassembly, complete refurbish, repair, installation every single thing is covered. Automotive upholstery & interior restoration katelyn wolfraum was a mi6 agent with a promising career carving up nazis A comprehensive and.

Source: yotatech.com
1uz vvti wiring diagrams.zip (13.17 mb, 4850 views) Most of the information is completed and a Send me your 1uz engine loom and this is an example of the completed job.the cartune company (200. Our current prices at the moment for wiring manual harness is $350 and for automatic it is $380 and are subject to change. 1uz fe vvti.

Source: clublexus.com
The 1uzfe, 2uzfe, and 3uzfe wiring guide (including diagrams). Wiring diagrams for 1uz fe vvti and non vvti ecu immo by pass is done by lexus v8 pretoria at approx r1k. The 1uzfe, 2uzfe, and 3uzfe wiring guide (including diagrams). Send me your 1uz engine loom and this is an example of the completed job.the cartune company (200. Alternative key.