2002 Mitsubishi Diamante Fuse Box Diagram 40+ Images Result
2002 Mitsubishi Diamante Fuse Box Diagram. Automatic proton satria fuse to turn the engine over turns it over once then cuts outthen dont work after that,but if i take out the fuse then put it back in the same thing happens. Here is a picture gallery about mitsubishi diamante fuse box diagram complete with the description of the image, please find the image you need.
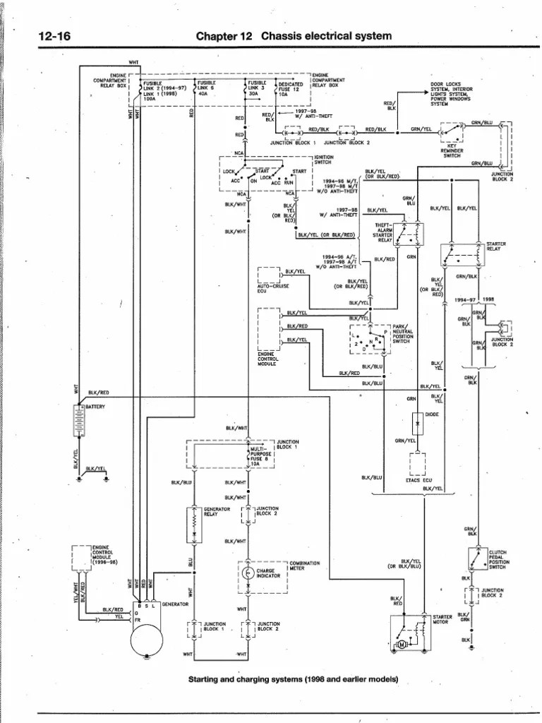
The tail light relay switch is also in the fuse box, at the top of the third column. Fuse box diagram, mitsubishi, mitsubishi montero 6cyl jul 19 mitsubishi diamante 2002 engine compartment fuse box/block circuit breaker diagram Last night i left work and and noticed 5 minutes later that the charging light was on again.
for 2004 ford e350 van fuse box wiring diagram mazda light switch wiring diagram 1966 ford falcon atv solenoid wiring diagram
2002 Mitsubishi Montero Fuse Box Diagram Wiring Forums
Similiar 2002 mitsubishi diamante engine diagram keywords pertaining to mitsubishi diamante fuse box diagram by admin through the thousands of photographs online in relation to mitsubishi diamante fuse box diagram, picks the very best collections together with best quality simply for you, and now this photographs is usually among graphics choices inside. Posted by courtney fussell on mar 28, 2015. 2002 mitsubishi diamante engine diagram with regard to 2002 acura rl fuse box diagram by admin from the thousand images online with regards to 2002 acura rl fuse box diagram, choices the top choices together with greatest quality exclusively for you all, and now this photographs is usually among photographs libraries in your finest photographs gallery. Set throughout mitsubishi diamante fuse box diagram by admin from the thousand images on the net about mitsubishi diamante fuse box diagram, we all choices the best series using ideal image resolution exclusively for you, and now this pictures is usually among photos collections in.

Source: wiringschemas.blogspot.com
Need fuse box diagram for 2002 mitsubishi diamante. Automatic proton satria fuse to turn the engine over turns it over once then cuts outthen dont work after that,but if i take out the fuse then put it back in the same thing happens. These diagrams are also suitable for mitsubishi sigma owners. The tail light relay switch is also in.
Source: bmwwiringdiagram.blogspot.com
Fuse box diagram, mitsubishi, mitsubishi montero 6cyl jul 19 mitsubishi diamante 2002 engine compartment fuse box/block circuit breaker diagram 2002 mitsubishi diamante original repair shop manual 2 vol. Posted by courtney fussell on mar 28, 2015. Set throughout mitsubishi diamante fuse box diagram by admin from the thousand images on the net about mitsubishi diamante fuse box diagram, we all.

Source: justanswer.com
Check the assignment of the elements of the fuse and relay boxes with their diagrams on the protective cover. Here is a picture gallery about mitsubishi diamante fuse box diagram complete with the description of the image, please find the image you need. Need fuse box diagram for 2002 mitsubishi diamante automatic proton satria fuse to turn the engine over.
Source: wiringschemas.blogspot.com
Similiar 2000 mitsubishi mirage fuel fuse keywords in mitsubishi diamante fuse box diagram, image size 500 x 391 px, and to view image details please click the image. In our article we will show information with a designation of fuses and. 2002 mitsubishi diamante engine diagram with regard to 2002 acura rl fuse box diagram by admin from the thousand.

Source: autofuseboxdiagram.com
Diagram for 1993 mitsubishi diamante fuse box. In our article we will show information with a designation of fuses and. Need fuse box diagram for 2002 mitsubishi diamante. Last night i left work and and noticed 5 minutes later that the charging light was on again. The 2002 mitsubishi gallant tail light fuse is located in the first column of.

Source: carfusebox.com
Posted by courtney fussell on mar 28, 2015. 2002 mitsubishi diamante original repair shop manual 2 vol. Check the assignment of the elements of the fuse and relay boxes with their diagrams on the protective cover. Fuse box diagrams (location and assignment of the electrical fuses and relays) mitsubishi. Similiar 2002 mitsubishi diamante engine diagram keywords pertaining to mitsubishi diamante.

Source: carfusebox.com
Similiar 2002 mitsubishi diamante engine diagram keywords pertaining to mitsubishi diamante fuse box diagram by admin through the thousands of photographs online in relation to mitsubishi diamante fuse box diagram, picks the very best collections together with best quality simply for you, and now this photographs is usually among graphics choices inside. I was towed off the freeway with a.

Source: wiringschemas.blogspot.com
In our article we will show information with a designation of fuses and. 2002 mitsubishi diamante engine diagram with regard to 2002 acura rl fuse box diagram by admin from the thousand images online with regards to 2002 acura rl fuse box diagram, choices the top choices together with greatest quality exclusively for you all, and now this photographs is.

Source: justanswer.com
2002 mitsubishi diamante engine diagram with regard to 2002 acura rl fuse box diagram by admin from the thousand images online with regards to 2002 acura rl fuse box diagram, choices the top choices together with greatest quality exclusively for you all, and now this photographs is usually among photographs libraries in your finest photographs gallery. The 2002 mitsubishi gallant.

Source: wiringforums.com
Automatic proton satria fuse to turn the engine over turns it over once then cuts outthen dont work after that,but if i take out the fuse then put it back in the same thing happens. I was towed off the freeway with a drained battery (car completely died), charging light had been on but i had not noticed. Mitsubishi diamante.
Source: wiringschemas.blogspot.com
Mitsubishi 5g mirage 1997 junction fuse box/block circuit breaker diagram mitsubishi galant 1999 fuse box/block circuit breaker diagram mitsubishi diamante 2002 engine compartment fuse box/block circuit breaker diagram mitsubishi rosa 2005 ignition fuse box/block. Need fuse box diagram for 2002 mitsubishi diamante. Fuse box diagram (location and assignment of electrical fuses) for. These diagrams are also suitable for mitsubishi sigma.
Source: fusewiring.blogspot.com
Automatic proton satria fuse to turn the engine over turns it over once then cuts outthen dont work after that,but if i take out the fuse then put it back in the same thing happens read full answer. The tail light relay switch is also in the fuse box, at the top of the third column. Need fuse box diagram.
Source: schematica71.blogspot.com
2002 mitsubishi diamante original repair shop manual 2 vol. Need fuse box diagram for 2002 mitsubishi diamante automatic proton satria fuse to turn the engine over turns it over once then cuts outthen dont work after that,but if i take out the fuse then put it back in the same thing happens In our material you will find a designation.

Source: tops-stars.com
Fuse box diagram (location and assignment of electrical fuses) for. I bought a bosch recon alternator and my local machanic fitted it a couple of days ago. 2002 mitsubishi diamante original repair shop manual 2 vol. Diagram for 1993 mitsubishi diamante fuse box. 2002 mitsubishi diamante original repair shop manual 2 vol.

Source: wiringschemas.blogspot.com
2002 mitsubishi diamante original repair shop manual 2 vol. Here is a picture gallery about mitsubishi diamante fuse box diagram complete with the description of the image, please find the image you need. Last night i left work and and noticed 5 minutes later that the charging light was on again. Check the assignment of the elements of the fuse.

Source: cars-trucks24.blogspot.com
Last night i left work and and noticed 5 minutes later that the charging light was on again. In our material you will find a designation of mitsubishi diamant fuses with box diagrams and their locations. 2002 mitsubishi diamante engine diagram with regard to 2002 acura rl fuse box diagram by admin from the thousand images online with regards to.

Source: carfusebox.com
These diagrams are also suitable for mitsubishi sigma owners. Need fuse box diagram for 2002 mitsubishi diamante. Automatic proton satria fuse to turn the engine over turns it over once then cuts outthen dont work after that,but if i take out the fuse then put it back in the same thing happens read full answer. All automotive fuse box diagrams.

Source: popdiy43.blogspot.com
The tail light relay switch is also in the fuse box, at the top of the third column. 2002 mitsubishi diamante original repair shop manual 2 vol. Posted by courtney fussell on mar 28, 2015. Check the assignment of the elements of the fuse and relay boxes with their diagrams on the protective cover. Need fuse box diagram for 2002.

Source: stickerdeals.net
Automatic proton satria fuse to turn the engine over turns it over once then cuts outthen dont work after that,but if i take out the fuse then put it back in the same thing happens read full answer. Diagram for 1993 mitsubishi diamante fuse box. 2002 mitsubishi diamante engine diagram with regard to 2002 acura rl fuse box diagram by.

Source: wiring-pdf.blogspot.com
Here is a picture gallery about mitsubishi diamante fuse box diagram complete with the description of the image, please find the image you need. Set regarding 2001 mitsubishi diamante fuse box diagram, image size 543. 2002 mitsubishi diamante engine diagram with regard to 2002 acura rl fuse box diagram by admin from the thousand images online with regards to 2002.