Acadium Engine Wiring Diagram 33+ Images Result
Acadium Engine Wiring Diagram. Workshop and repair manuals, service & owner's manual. Car wire harness connection 6.
Wiring diagram book a1 15 b1 b2 16 18 b3 a2 b1 b3 15 supply voltage 16 18 l m h 2 levels b2 l1 f u 1 460 v f u 2 l2 l3 gnd h1 h3 h2 h4 f u 3 x1a f u 4 f u 5 x2a r power on optional x1 x2115 v 230 v h1 h3 h2 h4 optional connection electrostatically shielded transformer f u 6 off on m l1 l2 1 2 stop ol m start 3 start start fiber optic. The most recently reported issues are listed below. Pontiac acadian 1987 engine electrical circuit symbol map related diagrams:
2010 polari lx 600 wiring diagram car tv wire diagram renault megane scenic fuse box layout house wiring diagram download
Corvette Engine Schematics wiring diagram B88 area
2004 cadillac escalade radio wiring diagram; 2004 cadillac escalade radio wiring diagram; Engine wire and engine room main wire engine compartment left 61 s d 80 yaris em01v0u ignition 15a am2 2, 1992 pontiac bonneville wiring schematic schematic need a. 2008 gmc acadia remote start wiring diagram.

Source: pit.my.id
Wiring diagram ws= white sw = black ro = red br = brown gn = green bl = blue gr = grey li = lilac ge = yellow ignition/starter switch, main fuse or = orange rs = pink audi a4 no. 2004 impala fuse box location; 2004 ford f150 wiring harness diagram; Premium color wiring diagrams get premium wiring diagrams.
Source: raur.us
Engine wire and engine room main wire engine compartment left 61 s d 80 yaris em01v0u ignition 15a am2 2, 1992 pontiac bonneville wiring schematic schematic need a. 2004 lincoln aviator radio wiring diagram; Pink vehicle ignition wire location: Pontiac acadian 1987 blower motor electrical circuit wiring diagram pontiac acadian 1987 ground pin out electrical circuit wiring diagram pontiac grand.

Source: darkobmarket.com
Also please check out the statistics and reliability analysis of gmc acadia based on all problems reported for the acadia. I can't believe how hard it has been just to find a wiring diagram for this overhead console. #7 · apr 18, 2011. The modified life staff has taken every jeep remote start wiring diagram, jeep remote start wireing diagram,.
Source: inhibit.toivonkammari.net
2004 ford f150 wiring harness diagram; Also please check out the statistics and reliability analysis of gmc acadia based on all problems reported for the acadia. I can't believe how hard it has been just to find a wiring diagram for this overhead console. Premium color wiring diagrams get premium wiring diagrams that are available for your vehicle that are.

Source: autowiringdiagram.net
Gmc acadia owners have reported 36 problems related to wiring (under the electrical system category). Cruise control module (ccm) electrical connector. 2004 lincoln aviator radio wiring diagram; 2004 chevy trailblazer engine diagram; #7 · apr 18, 2011.

Source: raur.us
2008 gmc acadia remote start wiring diagram. Engine wire and engine room main wire engine compartment left 61 s d 80 yaris em01v0u ignition 15a am2 2, 1992 pontiac bonneville wiring schematic schematic need a. Pink vehicle ignition wire location: Also please check out the statistics and reliability analysis of gmc acadia based on all problems reported for the acadia..

Source: pit.my.id
Wiring diagram book a1 15 b1 b2 16 18 b3 a2 b1 b3 15 supply voltage 16 18 l m h 2 levels b2 l1 f u 1 460 v f u 2 l2 l3 gnd h1 h3 h2 h4 f u 3 x1a f u 4 f u 5 x2a r power on optional x1 x2115 v 230 v.

Source: tir.marjolaineduguay.com
2004 honda accord under hood fuse box diagram; Car wire harness connection 6. Cruise control module (ccm) electrical connector. Vehicle second ignition wire (+): If you run into an electrical problem with your gmc, you may want to take a moment and check a few things out for yourself.

Source: abcdstudio.info
2004 ford expedition horn relay location; 2004 impala fuse box location; Engine wire and engine room main wire engine compartment left 61 s d 80 yaris em01v0u ignition 15a am2 2, 1992 pontiac bonneville wiring schematic schematic need a. I found the sunroof circuits (2) with the test light (used test light to open and close the sunroof). Electronic control.

Source: darkobmarket.com
System circuits h 2007 yaris electrical wiring diagram, 2012 dodge charger dash schematic best place to find, 2010 gmc acadium tail light wiring diagram best place to, gto. I can't believe how hard it has been just to find a wiring diagram for this overhead console. Premium color wiring diagrams get premium wiring diagrams that are available for your vehicle.

Source: ekocraft-appleleaf.com
• jumper harness connectors are c400 series numbers. Pink vehicle ignition wire location: 2004 impala fuse box location; 2004 honda accord under hood fuse box diagram; Also please check out the statistics and reliability analysis of gmc acadia based on all problems reported for the acadia.

Source: darkobmarket.com
2004 chevy trailblazer engine diagram; Gmc acadia owners have reported 36 problems related to wiring (under the electrical system category). Cruise control module (ccm) electrical connector. The most recently reported issues are listed below. 2008 gmc acadia remote start wiring diagram.

Source: autowiringdiagram.net
Premium color wiring diagrams get premium wiring diagrams that are available for your vehicle that are accessible online right now, purchase full set of complete wiring diagrams so you can have full online access to everything you need including premium wiring diagrams, fuse and component locations, repair information, factory recall information and even tsb's (technical. Gmc acadia owners have reported.

Source: ekocraft-appleleaf.com
The most recently reported issues are listed below. Camshaft position sensor bank 1 sensor b. I can't believe how hard it has been just to find a wiring diagram for this overhead console. Pontiac acadian 1987 blower motor electrical circuit wiring diagram pontiac acadian 1987 ground pin out electrical circuit wiring diagram pontiac grand prix 3.8 1999 blower relay electrical.

Source: abcdstudio.info
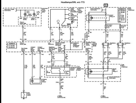
The gmc acadia is a full size crossover suv from general motors since 2006. Gm acadia 2010 engine electrical circuit wiring diagram. I found the sunroof circuits (2) with the test light (used test light to open and close the sunroof). 2004 chevy trailblazer engine diagram; 2003 vw golf stereo wiring diagram;

Source: autowiringdiagram.net
The most recently reported issues are listed below. Camshaft position sensor bank 1 sensor b. Vehicle second ignition wire (+): Pontiac acadian 1987 engine electrical circuit symbol map related diagrams: #7 · apr 18, 2011.

Source: abcdstudio.info
Electronic control unit (ecu) 2. System circuits h 2007 yaris electrical wiring diagram, 2012 dodge charger dash schematic best place to find, 2010 gmc acadium tail light wiring diagram best place to, gto. The most recently reported issues are listed below. 2004 ford f150 wiring harness diagram; 2004 honda accord under hood fuse box diagram;

Source: irishconnectionsmag.com
The modified life staff has taken every jeep remote start wiring diagram, jeep remote start wireing diagram, jeep remote starter wiring diagram, jeep remote starter diagram, jeep wiring for remote start, jeep remote start wire diagram, jeep remote starter wiring diagram, jeep remote start install diagram and cataloged them online for use by our visitors for free. Wiring diagram book.

Source: raur.us
Wiring diagrams, spare parts catalogue, fault codes free download Windshield wiper motor module electrical connector. N/a vehicle second ignition wire location: Cruise control module (ccm) electrical connector. I found the sunroof circuits (2) with the test light (used test light to open and close the sunroof).

Source: register.pendletonyp.com
2004 ford f150 wiring harness diagram; Premium color wiring diagrams get premium wiring diagrams that are available for your vehicle that are accessible online right now, purchase full set of complete wiring diagrams so you can have full online access to everything you need including premium wiring diagrams, fuse and component locations, repair information, factory recall information and even tsb's.