Hydraulic Test Bench Schematic 34+ Images Result
Hydraulic Test Bench Schematic. But when the pumps get bigger and bigger, the reality is few if any repair shops have the. It shows the technician how it works, what each com ponent should be doing and where the oil should be going, so that he can diagnose and repair the sys tem.
When analyzing or designing a hydraulic circuit, the following three important considerations must be taken into account: It had a power pack under. Controlled hydraulic fluid pressure is applied to the brake caliper’s inlet port.
1963 chevy 2 wiring diagram fuse box on ford fiestum 2006 cover star pool cover wiring diagram wiring diagram of motorcycle honda
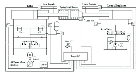
Schematic layout of (a) the testbench and (b) the
This is an empirical equation derived from experimental test series. Our test benches are capable of pressure testing from 0 up to 350 bar. Figure 1 and table 1, below provide a system schematic for the mentioned test bench. Stepless speed control between 0 and 2800 rpm makes.
Source: researchgate.net
Winter maschinenbau’s hydrotesters are used for leak and material strength tests on welded and seamless pipes by means of water pressure. Stepless speed control between 0 and 2800 rpm makes. Hydraulic circuit design and analysis a hydraulic circuit is a group of components such as pumps, actuators, and control valves so arranged that they will perform a useful task. It.

Source: researchgate.net
Download scientific diagram | simplified test bench hydraulic circuit from publication: • keep both hands away from pinch points. Pumps from 45 up to 140 kw. Dory structure schematic diagram 15 000 000 1 hydraulic control station 2.panel of pressure gauge 3.panel of control button 4.pressure check list 5.turning bench e.clemping claws The hydraulic bench experiment allows the examination of.
Source: researchgate.net
Download scientific diagram | schematic view of the francis turbine test bench. To find the value of co efficient of velocity ‘cv’, coefficient of discharge ‘cd’ and contraction ‘c’ to study the It was about 4 metres min. It had a power pack under. It possible to test most common pumps.

Source: researchgate.net
• consult hose and fitting manufacturer’s specifications for correct testing procedure. This is an empirical equation derived from experimental test series. • test bench produces extremely high pressure.use caution when operating. Manual “be” series test benches 2 safety precautions! Hydraulic bench is a very useful apparatus in hydraulics and fluid mechanics.

Source: ap-hydraulics.com
Don’t get focused on a hydraulic problem until you have also reviewed electrical issues such as: This is an empirical equation derived from experimental test series. Due to a recent thread i thought i would ask if there are members out there with information and pictures on what a good/excellent hydraulic test/repair bench looks like and the features incorporated in.

Source: scubaengineer.com
Manual “be” series test benches 2 safety precautions! Test bench supports a brake caliper/rotor assembly that is bolted onto a fixture. Dory structure schematic diagram 15 000 000 1 hydraulic control station 2.panel of pressure gauge 3.panel of control button 4.pressure check list 5.turning bench e.clemping claws But when the pumps get bigger and bigger, the reality is few if.

Source: researchgate.net
• keep both hands away from pinch points. Stepless speed control between 0 and 2800 rpm makes. With a working pressure of up to 1000 bar, they can handle your operations easily. The fixture is attached to either the vibration exciter or test bench. It possible to test most common pumps.

Source: ap-hydraulics.com
It shows the technician how it works, what each com ponent should be doing and where the oil should be going, so that he can diagnose and repair the sys tem. Storage water tank set at the bottom of the test bench make sure the liquid medium recycle. Download scientific diagram | simplified test bench hydraulic circuit from publication: Don’t.

Source: slideshare.net
Stepless speed control between 0 and 2800 rpm makes. Test rig description 2.1 hydraulic circuit the experimental work was done on a proportional controlled variable axial piston pump driven by a three phase electrical conduction motor, the pump is linked to a double acting, single. Due to a recent thread i thought i would ask if there are members out.

Source: researchgate.net
• test bench produces extremely high pressure.use caution when operating. Accurate diagrams of hydraulic circuits are essen tial to the technician who must repair it. Often an electrical issue will affect the hydraulic operation. The dia gram shows how the components will interact. Controlled hydraulic fluid pressure is applied to the brake caliper’s inlet port.

Source: researchgate.net
Reconfigurable michigan tech hydraulic test bench schematic.36. Often an electrical issue will affect the hydraulic operation. Storage water tank set at the bottom of the test bench make sure the liquid medium recycle. Hydraulic bench is a very useful apparatus in hydraulics and fluid mechanics it is involved in majority of experiments to be conducted e.g. Acoustic emission tests in.

Source: researchgate.net
Hydraulic circuit design and analysis a hydraulic circuit is a group of components such as pumps, actuators, and control valves so arranged that they will perform a useful task. • read instructions and identify all component parts before operating bench. It shows the technician how it works, what each com ponent should be doing and where the oil should be.

Source: google.com
Stepless speed control between 0 and 2800 rpm makes. • consult hose and fitting manufacturer’s specifications for correct testing procedure. A turbine flow pipe measures. Pumps from 45 up to 140 kw. Hydraulic bench is a very useful apparatus in hydraulics and fluid mechanics it is involved in majority of experiments to be conducted e.g.

Source: researchgate.net
The oil flow in combi nation with pressure, temperature and drive speed. When analyzing or designing a hydraulic circuit, the following three important considerations must be taken into account: Stepless speed control between 0 and 2800 rpm makes. Figure 1 and table 1, below provide a system schematic for the mentioned test bench. Don’t get focused on a hydraulic problem.

Source: researchgate.net
Reconfigurable michigan tech hydraulic test bench schematic.36. Velocity is u and from the diagram on the left the mass flow out is. Manual “be” series test benches 2 safety precautions! It possible to test most common pumps. Test rig description 2.1 hydraulic circuit the experimental work was done on a proportional controlled variable axial piston pump driven by a three.

Source: researchgate.net
Accurate diagrams of hydraulic circuits are essen tial to the technician who must repair it. Controlled hydraulic fluid pressure is applied to the brake caliper’s inlet port. Hydraulic bench is a very useful apparatus in hydraulics and fluid mechanics it is involved in majority of experiments to be conducted e.g. Stepless speed control between 0 and 2800 rpm makes. It.

Source: ch-part.com
Hydraulic bench is a very useful apparatus in hydraulics and fluid mechanics it is involved in majority of experiments to be conducted e.g. Test bench supports a brake caliper/rotor assembly that is bolted onto a fixture. But when the pumps get bigger and bigger, the reality is few if any repair shops have the. Our test benches are capable of.

Source: ap-hydraulics.com
Velocity is u and from the diagram on the left the mass flow out is. Dory structure schematic diagram 15 000 000 1 hydraulic control station 2.panel of pressure gauge 3.panel of control button 4.pressure check list 5.turning bench e.clemping claws Download scientific diagram | schematic view of the francis turbine test bench. Figure 1 and table 1, below provide.

Source: researchgate.net
This is an empirical equation derived from experimental test series. Velocity is u and from the diagram on the left the mass flow out is. Controlled hydraulic fluid pressure is applied to the brake caliper’s inlet port. Hydraulic bench is a very useful apparatus in hydraulics and fluid mechanics. Our test benches are capable of pressure testing from 0 up.

Source: researchgate.net
When analyzing or designing a hydraulic circuit, the following three important considerations must be taken into account: The oil flow in combi nation with pressure, temperature and drive speed. It is involved in majority of experiments to be conducted e.g. Accurate diagrams of hydraulic circuits are essen tial to the technician who must repair it. Test rig description 2.1 hydraulic.