Piping Diagram For Pool Heater 17++ Images Result
Piping Diagram For Pool Heater. Pool > pool pump > filter > heater > check valve > chemical feeder > pool. Piping diagrams for user convenience, many of our current piping sheets are available online.
Some heating types dictate the plumbing method and others you have a choice. The piping sequence is as follows: In series with a booster pump, or.
ford super duty mirror wiring diagram 2003 f250 fuse block diagram chevy aveo fuse box location lincoln l stereo wiring diagram
How Solar Pool Heating Works
Use rigid pvc piping if possible (sch40 or sch80). If you have some knowledge of plumbing and your pool is relatively simple, this will be enough for you. Salt water pool installation diagram author: The diagrams below are meant to be general examples of how you can route your swimming pool's plumbing as well as how you can set up your equipment pad.

Source: pahlen.com
Domestic hot water and radiant floors. Swimming pool schematic installations example with heat exchanger maxi flow, pahlén electric heater and pahlén heat pump. Salt water pool installation diagram author: If the heater gets very little or no use, then it. All pipe is measured by its diameter, expressed in inches.

Source: poolwarehouse.com
There are three possible plumbing methods for pool heating: Salt water pool installation diagram created date: Use these jandy pool plumbing layouts to visualize how the water is pumped from the pool under vacuum and then pumped through the filter and heater, and back to the pool, under pressure. To connect to the power supply, one needs only to protect.

Source: pinterest.com
All joints should be glued with pvc glue. If you have some knowledge of plumbing and your pool is relatively simple, this will be enough for you. Pool > pool pump > fi lter > heater > check valve > chemical feeder > pool. If you’re new to the pool owning scene, you might have a few questions when looking.

Source: poolandspawarehouse.com.au
Automated chlorine distribution systems, if used, must be placed downstream of the heater to minimize harm to the pool equipment. Always use pvc cleaner on all pipe ends and fitting sockets. The piping sequence is as follows: Use rigid pvc piping if possible (sch40 or sch80). Connections from factory are 2” threaded male pipe, requiring 2 inch female adaptors, see.

Source: chainsawjournal.com
To connect to the power supply, one needs only to protect the main supply lines, either with a circuit breaker or fused disconnect switch (figure 1). Swimming pool plumbing diagrams 1 standard skimmer with 2 main drains & 3 returns. As water moves through pipes it creates friction, slowing it down, just like the air against your car as you.

Source: poolheatpumps.com
To connect pool heater to power supply the pool heaters with load ratings over 48 amps have branch supplemental fusing already installed in the element circuitry; A wide range of models for all types of installations. If the heater gets very little or no use, then it. To connect to the power supply, one needs only to protect the main.
.png?width=1732&name=RSP IMAGE (1).png “35 Inground Pool Piping Diagram Wiring Diagram Database”)
Source: kovodym.blogspot.com
Use rigid pvc piping if possible (sch40 or sch80). A typical plumbing layout is in figure 14. Single tank system with tankless hot heater for backup for domestic hot water and radiant heating. *american national standards institute and published by the american society of mechanical engineers. Pvc is designed to carry unheated water (under 100 degrees f).

Source: solarattic.com
If you’re new to the pool owning scene, you might have a few questions when looking at the plumbing pool diagram. Pvc is designed to carry unheated water (under 100 degrees f). Tighten hand tight plus 1/4 to1/2 snug tight with pliers. On the other hand, if you want to build an overflow pool and you are thinking of using.

Source: kovodym.blogspot.com
The basic tenets of swimming pool plumbing. For the same heater and the same heat output, the plumbing method can have significant effects on your energy consumption, your power bills. These pool piping plans are also useful for pool plumbing renovations, where you might replace all of the aboveground plumbing, along with new pool equipment. All joints should be glued.
![[LO_0138] Pool Wiring Examples Schematic Wiring [LO_0138] Pool Wiring Examples Schematic Wiring](https://i2.wp.com/static-assets.imageservice.cloud/11705/piping-diagram-for-pool-heater-wiring-diagram-m6.jpg)
Source: dome.kesian.illuminateatx.org
With a heated pool, the chemical feeder should be the last item on the filtration system. Tighten hand tight plus 1/4 to1/2 snug tight with pliers. However, you should use 2” pvc pipe where possible. There are three possible plumbing methods for pool heating: The basic tenets of swimming pool plumbing.

Source: pinterest.com
Automated chlorine distribution systems, if used, must be placed downstream of the heater to minimize harm to the pool equipment. Single tank system with tankless hot heater for backup for domestic hot water and radiant heating. Pvc is designed to carry unheated water (under 100 degrees f). Swimming pool schematic installations example with heat exchanger maxi flow, pahlén electric heater.

Source: poolheatpumps.com
Pool > pool pump > fi lter > heater > check valve > chemical feeder > pool. With a heated pool, the chemical feeder should be the last item on the filtration system. These pool piping plans are also useful for pool plumbing renovations, where you might replace all of the aboveground plumbing, along with new pool equipment. The piping.

Source: blog.intheswim.com
To connect pool heater to power supply the pool heaters with load ratings over 48 amps have branch supplemental fusing already installed in the element circuitry; If you have some knowledge of plumbing and your pool is relatively simple, this will be enough for you. *american national standards institute and published by the american society of mechanical engineers. Salt water.

Source: sunshinesolartech.com
Salt water pool installation diagram created date: In series with a booster pump, or. For a simple pool only or spa only, install the plumbing piping as shown: Connections from factory are 2” threaded male pipe, requiring 2 inch female adaptors, see diagram. Use these jandy pool plumbing layouts to visualize how the water is pumped from the pool under.

Source: pinterest.com
Pool > pool pump > fi lter > heater > check valve > chemical feeder > pool. Automated chlorine distribution systems, if used, must be placed downstream of the heater to minimize harm to the pool equipment. If algae forms or the pool turns green, chemicals added to clear the algae will create corrosive properties in the water. Tighten hand.
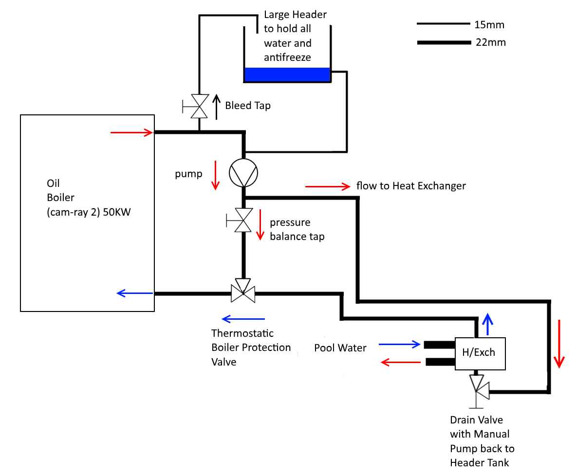
Source: diynot.com
To connect pool heater to power supply the pool heaters with load ratings over 48 amps have branch supplemental fusing already installed in the element circuitry; The diagrams below are meant to be general examples of how you can route your swimming pool's plumbing as well as how you can set up your equipment pad. If you have questions you.

Source: saltwaterpoolandspa.com
Swimming pool plumbing diagrams 1 standard skimmer with 2 main drains & 3 returns. Pool plumbing is done with pvc schedule 40. With a heated pool, the chemical feeder should be the last item on the filtration system. Automated chlorine distribution systems, if used, must be placed downstream of the heater to minimize harm to the pool equipment. Use rigid.

Source: alternateenergycompany.com
Heat exchanger, heat pump, electric heater and solar panels. Always use pvc cleaner on all pipe ends and fitting sockets. All joints should be glued with pvc glue. This is the proper method for plumbing your inground or above. Salt water pool installation diagram author:

Source: kovodym.blogspot.com
Pools in cold climate locations should set the valves to bypass when closing down the pool for the winter. In series with a booster pump, or. Piping diagrams for user convenience, many of our current piping sheets are available online. The piping sequence is as follows: Use rigid pvc piping if possible (sch40 or sch80).

Source: pahlen.com
For a simple pool only or spa only, install the plumbing piping as shown: Salt water pool and spa subject: Connections from factory are 2” threaded male pipe, requiring 2 inch female adaptors, see diagram. This is the proper method for plumbing your inground or above. Cpvc is formulated to withstand higher temperatures for connection close to a pool or.