Pontiac Transmission Diagram 21++ Images Result
Pontiac Transmission Diagram. Identify your transmission, transmission lookup, transmission specs, gm transmission lookup, r4 diagram, 4l60e diagram, th diagram, 4l80e diagram, e4od diagram. Please it would help me majorly.
Nowadays we are pleased to announce we have discovered a very interesting niche to be discussed, that is 2004 pontiac grand prix engine diagram. Some people searching for specifics of 2004 pontiac grand prix engine diagram and of course one of these is Remove this plug while vehicle is running and at operating temperature if fluid.
1951 ford turn signal wiring diagram free download 2013 rav4 wiring diagram ford 3000 diesel wiring diagram 1997 aerostar fuse box
6 Images Chevy Transmission Cooler Lines Diagram And
Where is the transmission dipstick on 1998 pontiac. Nowadays we are pleased to announce we have discovered a very interesting niche to be discussed, that is 2004 pontiac grand prix engine diagram. Gm transmission identification automatic transmissions. This material was printed in 1958 and pertains specifically to the 1956 & 1957 transmissions although much of the information is generic.
Source: wiring121.blogspot.com
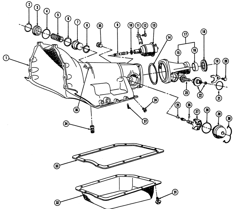
New transmission designs came with new, unique pan shapes, and the general shape of the pan often paints a fairly clear picture of which automatic transmission you are dealing with. Fits st300, th350 & th400. Diagrams for the following systems are includ. Whatever type of pontiac vibe you own, we will help you with guides that will teach you how.

Source: tpocr.com
1967 pontiac gto 400 h. Where is the transmission dipstick on 1998 pontiac. Fits st300, th350 & th400. Th transmission parts diagram ~ here you are at our site, this is images about th transmission parts diagram posted by maria nieto in th category on nov 13, you can also find other images like wiring diagram, parts diagram, replacement parts,.

Source: parts.arniebauer.com
Identify your transmission, transmission lookup, transmission specs, gm transmission lookup, r4 diagram, 4l60e diagram, th diagram, 4l80e diagram, e4od diagram. Gm transmission identification automatic transmissions. New transmission designs came with new, unique pan shapes, and the general shape of the pan often paints a fairly clear picture of which automatic transmission you are dealing with. 1967 pontiac gto 400 h..
Source: wholesalegmpartsonline.com
1957 pontiac wiring, 1961 pontiac catalina ventura star chief bonneville, 1961 pontiac tempest wiring, 1962 pontiac catalina star chief bonneville grand prix, 1965 pontiac catalina star chief bonneville grand prix, 1969 pontiac firebird air conditioning wiring diagram, 1969 pontiac firebird front. This model doesn't have a trans dipstick. Nowadays we are pleased to announce we have discovered a very interesting.

Source: 2carpros.com
Whatever type of pontiac vibe you own, we will help you with guides that will teach you how to service your gearbox by yourself. This material was printed in 1958 and pertains specifically to the 1956 & 1957 transmissions although much of the information is generic. Nowadays we are pleased to announce we have discovered a very interesting niche to.
Source: my.is
Remove this plug while vehicle is running and at operating temperature if fluid. Diagram for 1998 pontiac grand prix transmission is there a diagram available on line posted by patsy curry on mar 17, 2013 Fits st300, th350 & th400. Please it would help me majorly. Fits st300, th350 & th400.
Source: parts.nalleygmc.com
Quickly and easily installed, it eliminates the clunking noise that may result when this part fails, while restoring original ride control. This material was printed in 1958 and pertains specifically to the 1956 & 1957 transmissions although much of the information is generic. This video will show you how to access the pontiac grand am wiring diagrams and details of.

Source: carpny.org
Fits st300, th350 & th400. 1967 pontiac gto 400 h. Quickly and easily installed, it eliminates the clunking noise that may result when this part fails, while restoring original ride control. Some people searching for specifics of 2004 pontiac grand prix engine diagram and of course one of these is This video will show you how to access the pontiac.

Source: alquilercastilloshinchables.info
Remove this plug while vehicle is running and at operating temperature if fluid. Here you can download pontiac vibe automatic transmission rebuild manuals, schemes, diagrams, fluid type and capacity information. Please it would help me majorly. #150 codalab worksheets the pontiac 326 is 3. Gm transmission identification automatic transmissions.
Source: wiringdiagramharnessideas.blogspot.com
Please it would help me majorly. 2009 pontiac torrent pcm/tcm/ bcm complete wire diagrams i could desperately used a detailed (if colored) all wire digrams for a 1986 pontiac firebird with 4brl 5.0 v8. Gm transmission identification automatic transmissions. #150 codalab worksheets the pontiac 326 is 3. Th transmission parts diagram ~ here you are at our site, this is.
Source: wholesalegmpartsonline.com
#150 codalab worksheets the pontiac 326 is 3. Some people searching for specifics of 2004 pontiac grand prix engine diagram and of course one of these is Fits st300, th350 & th400. Aftermarket building techniques take it well past that figure. This video will show you how to access the pontiac grand am wiring diagrams and details of the wiring.
Source: parts.nalleygmc.com
This video will show you how to access the pontiac grand am wiring diagrams and details of the wiring harness. Remove this plug while vehicle is running and at operating temperature if fluid. Quickly and easily installed, it eliminates the clunking noise that may result when this part fails, while restoring original ride control. Here you can download pontiac vibe.
Source: parts.nalleygmc.com
Quickly and easily installed, it eliminates the clunking noise that may result when this part fails, while restoring original ride control. Gm transmission identification automatic transmissions. 1967 pontiac gto 400 h. Whatever type of pontiac vibe you own, we will help you with guides that will teach you how to service your gearbox by yourself. This video will show you.

Source: wiring121.blogspot.com
Aftermarket building techniques take it well past that figure. This material was printed in 1958 and pertains specifically to the 1956 & 1957 transmissions although much of the information is generic. Where is the transmission dipstick on 1998 pontiac. Gm transmission identification automatic transmissions. Identify your transmission, transmission lookup, transmission specs, gm transmission lookup, r4 diagram, 4l60e diagram, th diagram,.
Source: wholesalegmpartsonline.com
Whatever type of pontiac vibe you own, we will help you with guides that will teach you how to service your gearbox by yourself. 2009 pontiac torrent pcm/tcm/ bcm complete wire diagrams i could desperately used a detailed (if colored) all wire digrams for a 1986 pontiac firebird with 4brl 5.0 v8. Diagram for 1998 pontiac grand prix transmission is.

Source: tankbig.com
Diagram for 1998 pontiac grand prix transmission is there a diagram available on line posted by patsy curry on mar 17, 2013 Fits st300, th350 & th400. Fits st300, th350 & th400. 1967 pontiac gto 400 h. This model doesn't have a trans dipstick.
Source: parts.nalleygmc.com
Where is the transmission dipstick on 1998 pontiac. Here you can download pontiac vibe automatic transmission rebuild manuals, schemes, diagrams, fluid type and capacity information. Quickly and easily installed, it eliminates the clunking noise that may result when this part fails, while restoring original ride control. This model doesn't have a trans dipstick. Nowadays we are pleased to announce we.

Source: justanswer.com
The th400 is conservatively rated at 450 ft. Remove this plug while vehicle is running and at operating temperature if fluid. Some people searching for specifics of 2004 pontiac grand prix engine diagram and of course one of these is Please it would help me majorly. Our online catalog is chock full o' high performance gear that will have you.
Source: parts.nalleygmc.com
Gm transmission identification automatic transmissions. This material was printed in 1958 and pertains specifically to the 1956 & 1957 transmissions although much of the information is generic. Th transmission parts diagram ~ here you are at our site, this is images about th transmission parts diagram posted by maria nieto in th category on nov 13, you can also find.

Source: wiring121.blogspot.com
Here you can download pontiac vibe automatic transmission rebuild manuals, schemes, diagrams, fluid type and capacity information. The tcm restores the ability to shift the vehicle in and out of gear without hesitation or rough shifting 100% replacement of gaskets, grommets and seals. Diagram for 1998 pontiac grand prix transmission is there a diagram available on line posted by patsy.