Western Wiring Schematic 17++ Images Result
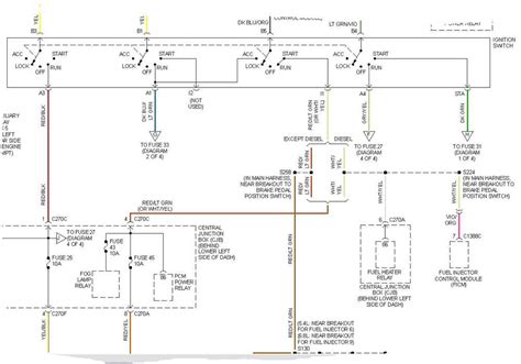
Western Wiring Schematic. Revision3.1 1b harness/schematic location information powerwiring transmission wiring trailer wiring lighting module 320 frontwall harness mod 321 main chassis mod 288 eof lighting engine harness module 286 / 283 alternator routings mod 125 power wiring mod 29a cab power mod 926. On the other hand, the diagram is a simplified variant of the arrangement.
June 17, 2021 · wiring diagram. I'm having electrical issues with my '95 w. You just require to have a good comprehension on different types of wiring and their purposes.
basic wiring diagram vw 1987 chevy v20 wiring diagram 2004 bmw z4 radio wiring diagram 2003 2500hd fuse diagram
Western Snow Plows Wiring Diagram Wiring Diagram
I was taking it over to the shop to service it before. 800 x 600 px, source: Took it to a western plow dealer and had the plow installed. I was taking it over to the shop to service it before.

Source: 2020cadillac.com
Each component ought to be placed and connected with different parts in specific manner. 1 for a charging circuit wiring diagram. With this sort of an illustrative guidebook, you’ll be able to troubleshoot, stop, and complete your tasks easily. Wiring diagram contains many in depth illustrations that show the link of assorted things. On the other hand, the diagram is.

Source: 2020cadillac.com
The first element is emblem that indicate electric element from the circuit. Each component ought to be placed and connected with different parts in specific manner. If not the arrangement will not function as it should be. With this kind of an illustrative guide, you will be able to troubleshoot, avoid, and full your assignments without difficulty. If not the.

Source: storksplows.com
The first element is emblem that indicate electric element from the circuit. This amazing photo collections about western plow joystick wiring diagram is available to download. Western plow controller wiring diagram. Revision3.1 1b harness/schematic location information powerwiring transmission wiring trailer wiring lighting module 320 frontwall harness mod 321 main chassis mod 288 eof lighting engine harness module 286 / 283.

Source: tianpinyt.blogspot.com
Another thing that you will locate a circuit diagram would be lines. There are two things which are going to be present in any western unimount plow wiring diagram. I was taking it over to the shop to service it before. Took it to a western plow dealer and had the plow installed. Your personal data will be used to.
Source: smarts4k.com
Feb 10, · wiring diagram western ultramount? The pump system is a isarmatic® hydraulic system. Newer schematics of low side drive systems will show the more accurate term common where appropriate. If not the structure will not work as it ought to be. Revision3.1 1b harness/schematic location information powerwiring transmission wiring trailer wiring lighting module 320 frontwall harness mod 321.

Source: equipmentspecialistsinc.com
Western star 4900 wiring diagram. Wiring diagram contains many in depth illustrations that show the link of assorted things. It came with the harness, which is a 2 plug, 12 pin connector, relay system which i would have to bastardize a. Or if you only need the light harness, we have them listed. If not the arrangement will not function.

Source: ricardolevinsmorales.com
If not the arrangement will not function as it should be. I purchased this plow and truck during the summer in which the all i could read was solenoid isomatic. Western star wiring schematics 2000 thanks for visiting our site this is images about western star wiring schematics 2000 posted by ella brouillard in wiring category on may 09 2019..

Source: 2020cadillac.com
A wiring diagram is a simplified standard pictorial representation of an electrical circuit. I purchased this plow and truck during the summer in which the all i could read was solenoid isomatic. Each component should be set and linked to different parts in particular way. Western star wiring schematics 2000 thanks for visiting our site this is images about western.

Source: untpikapps.com
Western plow controller wiring diagram. I've got a 2000 western midweight (i assume 2000 because there is a 50th anniversary sticker on it.feel free to correct me if i'm wrong) that was previously installed on a '99 f150. I'm having electrical issues with my '95 w. On the other hand, the diagram is a simplified variant of the arrangement. 16.

Source: 2020cadillac.com
The pump system is a isarmatic® hydraulic system. It includes directions and diagrams for various varieties of wiring techniques and other things like lights, home windows, and so on. I'm having electrical issues with my '95 w. Please read this manual carefully and follow its recommendations. If not the arrangement will not function as it should be.

Source: storksplows.com
There are two things which are going to be present in any western unimount plow wiring diagram. Feb 10, · wiring diagram western ultramount? Took it to a western plow dealer and had the plow installed. It makes the procedure for assembling circuit easier. A circuit is usually composed by many components.

Source: storksplows.com
Took it to a western plow dealer and had the plow installed. Western star wiring schematics 2000 thanks for visiting our site this is images about western star wiring schematics 2000 posted by ella brouillard in wiring category on may 09 2019. Western star 4900 wiring diagram. Feb 10, · wiring diagram western ultramount? Otherwise, the structure will not function.

Source: radiowiring.blogspot.com
Another thing that you will locate a circuit diagram would be lines. You just require to have a good comprehension on different types of wiring and their purposes. Newer schematics of low side drive systems will show the more accurate term common where appropriate. I've got a 2000 western midweight (i assume 2000 because there is a 50th anniversary sticker.

Source: storksplows.com
Newer schematics of low side drive systems will show the more accurate term common where appropriate. The truck had been sitting for a few months. I was taking it over to the shop to service it before. I've got a 2000 western midweight (i assume 2000 because there is a 50th anniversary sticker on it.feel free to correct me if.

Source: storksplows.com
Each component ought to be placed and connected with different parts in specific manner. I've got a 2000 western midweight (i assume 2000 because there is a 50th anniversary sticker on it.feel free to correct me if i'm wrong) that was previously installed on a '99 f150. Feb 10, · wiring diagram western ultramount? Revision3.1 1b harness/schematic location information powerwiring.

Source: annawiringdiagram.com
The first element is emblem that indicate electric element from the circuit. The diagram offers visual representation of a electric structure. The pump system is a isarmatic® hydraulic system. 16 type horn new , 41 1 new , 41 2 new , 41 3 new , 41 4 new , 41 5 new , 41 6 new , 41 7.

Source: 2020cadillac.com
Western star 4900 wiring diagram. I was taking it over to the shop to service it before. June 17, 2021 · wiring diagram. And i went through almost a gallon of western (blue) fluid myself. 800 x 600 px, source:
Source: galvinconanstuart.blogspot.com
It shows the parts of the circuit as simplified forms as well as the power and also signal links between the tools. Western star 4900 wiring diagram. It is extremely simple to attract a wiring diagram; Newer schematics of low side drive systems will show the more accurate term common where appropriate. A wiring diagram is a simplified standard pictorial.
Source: wiring89.blogspot.com
With this kind of an illustrative guide, you will be able to troubleshoot, avoid, and full your assignments without difficulty. The diagram offers visual representation of a electric structure. Or if you only need the light harness, we have them listed. November 2, 2021 · wiring diagram. 800 x 600 px, source:

Source: storksplows.com
Discussion in 'western plows discussion' started by jaded, feb 3, what i need is a wiring diagram for that rectangular plug so i can probe the wires that are supposed to power the headlights and running lights. June 17, 2021 · wiring diagram. And i went through almost a gallon of western (blue) fluid myself. I've got a 2000 western.